Main Technical Parameters
| project | characteristic | ||
| temperature range | -40~+70℃ | ||
| Rated operating voltage | 2.7V、3.0V | ||
| Capacitance range | -10%~+30%(20℃) | ||
| temperature characteristics | Capacitance change rate | |△c/c(+20℃)≤30% | |
| ESR | Less than 4 times the specified value (in an environment of -25°C) | ||
| Durability | After continuously applying the rated voltage at +70°C for 1000 hours, when returning to 20°C for testing, the following items are met | ||
| Capacitance change rate | Within ±30% of initial value | ||
| ESR | Less than 4 times the initial standard value | ||
| High temperature storage characteristics | After 1000 hours without load at +70°C, when returning to 20°C for testing, the following items are met | ||
| Capacitance change rate | Within ±30% of initial value | ||
| ESR | Less than 4 times the initial standard value | ||
| Moisture resistance | After applying the rated voltage continuously for 500 hours at +25℃90%R.H, when returning to 20℃ for testing, the following items | ||
| Capacitance change rate | Within ±30% of initial value | ||
| ESR | Less than 3 times the initial standard value | ||
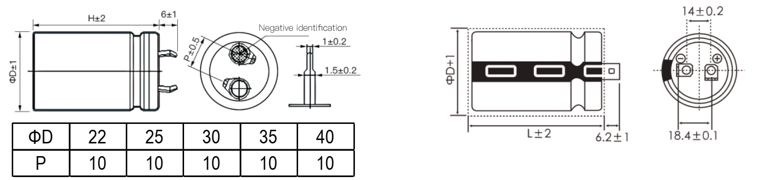
Product Dimensional Drawing
Unit:mm

SDN Series Supercapacitors: The Future of Revolutionizing Energy Storage and Release
In today's rapidly evolving electronics sector, innovation in energy storage technology has become a key driver of industry progress. As a core product of YMIN Electronics, the SDN series supercapacitors are redefining the technical standards for energy storage devices with their superior performance and wide application adaptability. This article will comprehensively analyze the technical characteristics, performance advantages, and innovative applications of the SDN series supercapacitors in various fields.
A Revolutionary Technological Breakthrough
The SDN series supercapacitors utilize an advanced electrochemical double-layer principle, achieving a perfect balance of energy density and power density compared to traditional capacitors and batteries. With capacitance values ranging from 100F to 600F, this series meets the diverse needs of various application scenarios. Their unique design and manufacturing process make them unique in the energy storage field.
The products cover an operating temperature range of -40°C to +70°C, ensuring stable performance even in extreme environmental conditions. Whether in the harsh northern winters or the scorching summer heat, the SDN series supercapacitors provide reliable energy security.
Excellent Performance
One of the most striking features of the SDN series supercapacitors is their extremely low equivalent series resistance (ESR), reaching as low as 2.5mΩ. This ultra-low internal resistance offers multiple advantages: first, it significantly reduces losses during energy conversion, improving overall system efficiency; second, it enables them to withstand extremely high charge and discharge currents, making them particularly suitable for high-power applications.
The product also offers excellent leakage current control, minimizing energy loss during standby or storage mode, extending the system's operational life. After 1000 hours of continuous endurance testing, the product's ESR did not exceed four times its initial rated value, fully demonstrating its excellent long-term stability.
Wide Applications
New Energy Vehicles and Transportation Systems
In electric vehicles, the SDN series supercapacitors play an irreplaceable role. Their high power density makes them an ideal choice for regenerative braking systems, efficiently recovering braking energy and improving vehicle energy efficiency. In hybrid vehicles, supercapacitors and lithium batteries form a hybrid energy system, providing instantaneous high-power support for vehicle acceleration and extending battery life.
Industrial Automation and Energy Management
In the industrial sector, SDN supercapacitors are widely used in smart grids, wind and solar energy storage systems, and uninterruptible power supplies (UPS). Their rapid charge and discharge characteristics effectively smooth out fluctuations in renewable energy generation and improve grid stability. In industrial automation equipment, supercapacitors provide emergency power support during sudden power outages, ensuring the preservation of critical data and safe system shutdown.
Consumer Electronics and IoT Devices
With the rapid development of IoT technology, SDN series supercapacitors have found widespread application in smart meters, smart homes, and wearable devices. Their long lifespan significantly reduces equipment maintenance, while their wide operating temperature range enables them to adapt to a variety of environmental conditions. In applications such as RFID tags and smart cards, supercapacitors provide reliable energy for data storage and transmission.
Military and Aerospace
In the defense and aerospace sectors, SDN supercapacitors' high reliability, wide operating temperature range, and long lifespan make them the preferred energy solution for critical equipment. From individual soldier equipment to spacecraft systems, supercapacitors provide stable energy support for electronic equipment in a variety of extreme environments.
Technological Innovation and Quality Assurance
The SDN series supercapacitors utilize advanced electrode materials and electrolyte formulations, and utilize optimized production processes to ensure product consistency and reliability. They fully comply with the RoHS directive and meet international environmental standards. Each product undergoes rigorous performance testing and quality inspection to ensure that every capacitor delivered to customers meets design standards.
The product packaging design takes heat dissipation and mechanical stability into account, utilizing a cylindrical metal case for excellent shock resistance and heat dissipation. Available in various sizes (ranging from 22×45mm to 35×72mm), the design provides customers with flexible options to meet installation requirements in diverse spaces.
Technical Advantages
Ultra-High Power Density
The SDN series supercapacitors boast a power density 10-100 times greater than that of traditional batteries, making them ideal for applications requiring instantaneous high power output. Supercapacitors can release enormous amounts of energy in a short period of time, meeting the power demands of specialized equipment.
Fast Charge and Discharge Capabilities
Compared to traditional batteries, supercapacitors boast astonishingly fast charge and discharge speeds, capable of completing a charge in seconds. This feature enables them to excel in applications requiring frequent charge and discharge cycles, significantly improving device efficiency.
Extremely Long Cycle Life
The SDN series products support hundreds of thousands of charge and discharge cycles, with a lifespan dozens of times that of traditional batteries. This feature significantly reduces the overall lifecycle cost of equipment, especially in applications where maintenance is difficult or high reliability is required.
Wide Temperature Adaptability
The products maintain excellent performance across a wide temperature range of -40°C to +70°C. This wide temperature range enables them to adapt to a variety of harsh environmental conditions, expanding their application range.
Environmental Friendliness
The materials used in supercapacitors are environmentally friendly, free of heavy metals and other hazardous substances, and are highly recyclable, meeting the environmental requirements of modern electronic products.
Application Design Guide
When selecting an SDN series supercapacitor, engineers need to consider several factors. First, they should select the appropriate rated voltage based on the system's operating voltage requirements, and it is recommended to leave a certain design margin. For applications requiring high power output, it is necessary to calculate the maximum operating current and ensure that it does not exceed the product's rated value.
In system design, it is recommended to use an appropriate voltage balancing circuit, especially when using multiple capacitors in series, to ensure that each capacitor operates within its rated voltage range. Proper heat dissipation design also helps improve system reliability and extend service life.
For applications with long-term continuous operation, it is recommended to regularly monitor capacitor performance parameters to ensure the system is always in optimal operating condition. When used in high-temperature environments, appropriately reducing the operating voltage can extend product life.
Future Development Trends
With the rapid development of new energy technologies and the increasing demand for energy storage in electronic devices, the application prospects of supercapacitors are promising. In the future, the SDN series products will continue to develop towards higher energy density, higher power density, smaller size, and lower cost. The application of new materials and new processes will further enhance product performance and expand application areas.
Conclusion
With its superior technical performance and wide application adaptability, the SDN series supercapacitors have become an important component of modern energy storage. Whether in new energy vehicles, industrial automation, consumer electronics, or military aerospace, the SDN series provides excellent solutions.
YMIN Electronics will continue to be committed to the innovation and development of supercapacitor technology, providing customers around the world with better products and services. Choosing the SDN series supercapacitors means not only choosing a high-performance energy storage device, but also choosing a reliable technology partner and an innovator committed to driving technological advancement in the industry. With the continuous advancement of technology and the expansion of application areas, the SDN series supercapacitors will play an even more important role in the future energy storage field.
| Products Number | Working temperature (℃) | Rated voltage (V.dc) | Capacitance (F) | Diameter D(mm) | Length L (mm) | ESR (mΩmax) | 72 hours leakage current (μA) | Life (hrs) |
| SDN2R7S1072245 | -40~70 | 2.7 | 100 | 22 | 45 | 12 | 160 | 1000 |
| SDN2R7S1672255 | -40~70 | 2.7 | 160 | 22 | 55 | 10 | 200 | 1000 |
| SDN2R7S1872550 | -40~70 | 2.7 | 180 | 25 | 50 | 8 | 220 | 1000 |
| SDN2R7S2073050 | -40~70 | 2.7 | 200 | 30 | 50 | 6 | 240 | 1000 |
| SDN2R7S2473050 | -40~70 | 2.7 | 240 | 30 | 50 | 6 | 260 | 1000 |
| SDN2R7S2573055 | -40~70 | 2.7 | 250 | 30 | 55 | 6 | 280 | 1000 |
| SDN2R7S3373055 | -40~70 | 2.7 | 330 | 30 | 55 | 4 | 320 | 1000 |
| SDN2R7S3673560 | -40~70 | 2.7 | 360 | 35 | 60 | 4 | 340 | 1000 |
| SDN2R7S4073560 | -40~70 | 2.7 | 400 | 35 | 60 | 3 | 400 | 1000 |
| SDN2R7S4773560 | -40~70 | 2.7 | 470 | 35 | 60 | 3 | 450 | 1000 |
| SDN2R7S5073565 | -40~70 | 2.7 | 500 | 35 | 65 | 3 | 500 | 1000 |
| SDN2R7S6073572 | -40~70 | 2.7 | 600 | 35 | 72 | 2.5 | 550 | 1000 |
| SDN3R0S1072245 | -40~65 | 3 | 100 | 22 | 45 | 12 | 160 | 1000 |
| SDN3R0S1672255 | -40~65 | 3 | 160 | 22 | 55 | 10 | 200 | 1000 |
| SDN3R0S1872550 | -40~65 | 3 | 180 | 25 | 50 | 8 | 220 | 1000 |
| SDN3R0S2073050 | -40~65 | 3 | 200 | 30 | 50 | 6 | 240 | 1000 |
| SDN3R0S2473050 | -40~65 | 3 | 240 | 30 | 50 | 6 | 260 | 1000 |
| SDN3R0S2573055 | -40~65 | 3 | 250 | 30 | 55 | 6 | 280 | 1000 |
| SDN3R0S3373055 | -40~65 | 3 | 330 | 30 | 55 | 4 | 320 | 1000 |
| SDN3R0S3673560 | -40~65 | 3 | 360 | 35 | 60 | 4 | 340 | 1000 |
| SDN3R0S4073560 | -40~65 | 3 | 400 | 35 | 60 | 3 | 400 | 1000 |
| SDN3R0S4773560 | -40~65 | 3 | 470 | 35 | 60 | 3 | 450 | 1000 |
| SDN3R0S5073565 | -40~65 | 3 | 500 | 35 | 65 | 3 | 500 | 1000 |
| SDN3R0S6073572 | -40~65 | 3 | 600 | 35 | 72 | 2.5 | 550 | 1000 |







